方直通球阀Q41SA-6L(P)
用途:适用于各种液体管道的快速启闭,采用方法兰连接、手动开关,快速便捷,结构紧凑。铝合金适用于非腐蚀性流通介质;碳钢和不锈钢适用于腐蚀性流通介质。...
用途:适用于各种液体管道的快速启闭,采用方法兰连接、手动开关,快速便捷,结构紧凑。铝合金适用于非腐蚀性流通介质;碳钢和不锈钢适用于腐蚀性流通介质。
材质: 铝合金、不锈钢、碳钢。

|
规格型号 |
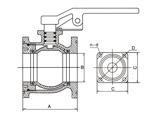
A |
B |
C |
D |
n-d |
渗漏试压MPa |
|
ф50小排 |
85 |
48 |
110*110 |
116 |
4-ф13 |
0.6 |
|
ф50大排 |
85 |
48 |
120*120 |
130 |
4-ф13 |
0.6 |
|
ф70 |
116 |
68 |
140*140 |
158 |
4-ф13 |
0.6 |
|
ф80 |
141 |
78 |
160*160 |
176 |
4-ф13 |
0.6 |
|
ф100 |
156 |
98 |
180*180 |
198 |
4-ф13 |
0.6 |










